無停電電源装置(UPS) FMUP-204
本製品は主に停電対策を目的とし、コンピュータ等の負荷に対して電力を供給する無停電電源装置です。
商用電力正常時には商用電力を負荷に供給し、停電時にはバッテリーを動力源とするインバータ出力に切り替え、負荷に対する電力のバックアップを行います。さらに、本製品と別売の電源管理ソフトウェアとの組み合わせで、自動シャットダウン機能、リアルタイムモニタリング機能、スケジュール運転機能等を使用することができます。
基本情報
| 製品イメージ | 希望小売価格(税別) |
|---|---|
![]() | 84,900円 |
| オンライン見積もり・ご購入 >> | |
特長
仕様
| 項目 | 無停電電源装置(Smart-UPS SMT750J) | |
|---|---|---|
| 型名 | FMUP-204(Smart-UPS SMT750J) | |
| 動作方式 | 常時商用方式(ラインインタラクティブ方式) | |
| 交流入力 | 電圧 | 単相 100VAC |
| 入力電圧範囲 | 76V-119V | |
| 周波数 | 50/60Hz | |
| 入力周波数範囲 | 47Hz-63Hz | |
| 最大入力電流 | 7.5A | |
| ブレーカ定格 | 10A | |
| 交流出力(インバータ出力時) | 定格出力電圧 | AC 100V±6% |
| 周波数 | 50/60Hz | |
| 波形 | 正弦波(サイン波) | |
| 最大出力電流 | 7.5A | |
| バッテリ | 形式 | 無漏洩型、密閉、鉛カルシウム |
| バックアップ時間 | 約5分(25℃、定格負荷時) | |
| 90%充電時間 | 4時間 | |
| 容量 | 12V/7.2AH×2個 | |
| セル数 | 12セル | |
| 使用周囲温度/湿度 | 10~35℃ / 20~85%(結露なきこと) | |
| 保存周囲温度/湿度 | 0~35℃ / 8~90%(結露なきこと) | |
| バッテリコネクタ(背面) | あり(使用前に接続) | |
| 消費電力(通常/最大) | 19W / 74W | |
| 発熱量(通常/最大) | 68kJ/H / 266kJ/H | |
| 漏洩電流 | 1.0mA | |
| 電源ケーブル | ケーブル長:1.8m(直付け) プラグ形状:NEMA 5-15P | |
| 外形寸法 | W138×D360×H166(mm) | |
| 質量 | 約13kg | |
装置前面
| 項 | 名称 | 機能説明 |
|---|---|---|
| 1 | オンラインLED | UPSが接続機器に商用電力を供給しているときに点灯 |
| 2 | UPS出力On/Offボタン | UPSの出力を開始もしくは停止 |
| 3 | オンバッテリLED | UPS がバッテリ運転をしているときに点灯または停電のときやセルフテスト時に点灯 |
| 4 | 故障LED | UPSが内部異常を検出したときに点灯 |
| 5 | バッテリ交換LED | バッテリ交換が必要になるとLEDが点灯し、警告音を発します。また、バッテリのコネクタが未接続の場合は、警告音を発しLEDが点滅。
バッテリのセルフテスト結果がNGの場合:短い警告音が1分間鳴動、バッテリ交換LEDが点灯。 バッテリが接続されていない場合:短い警告音が2秒ごとに鳴動、バッテリ交換LEDが点滅。 |
| 6 | ディスプレイスクリーン | UPSのステータス、設定項目等を表示します。 表示する言語はEnglishの他、カタカナ等を選択可能 |
| 7 | UP / DOWNボタン | 選択項目を上または下に移動します。 |
| 8 | ENTERボタン | 選択したメニューコマンドを展開、または選択肢の一覧を展開します |
| 9 | ESCボタン | 現在の画面を終了して、前の画面に戻ります |
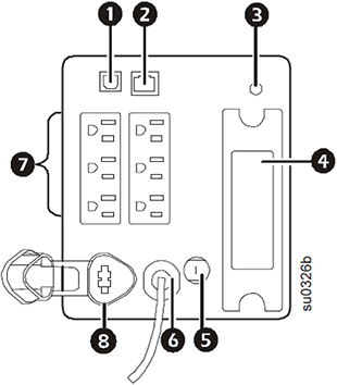
装置背面
| 項 | 名称 | 機能説明 |
|---|---|---|
| 1 | USBポート | UPS管理ソフトを使用する場合に使用する。 |
| 2 | シリアルポート | UPS管理ソフトを使用する場合にシリアルポートケーブル(RJ45)を接続する。 |
| 3 | シャーシ接地線用ネジ | UPSの電源コードの接地線を通じてアースを提供(本製品では使用しない) |
| 4 | オプションアクセサリカード用スマートスロット | スマートカードスロット(本製品では使用しない) |
| 5 | 過負荷保護リセットボタン | 入力側の過負荷保護リセットボタン。UPSの最大電力容量を超えると、トリップする。 |
| 6 | UPS入力 | UPSの入力ケーブル |
| 7 | 出力コンセント | UPSの出力コンセント |
| 8 | バッテリコネクタ | UPS使用時に接続。コネクタが外れているとバッテリディスコネクトを検出し、バッテリ交換LEDが点滅、警告音が鳴動する。 |
接続形態
1台のUPSに1台のPC/WSを使用する場合
外形寸法

